Faltec Torsteuerung Schaltplan Torsteuerung Bezeichnungen Hilfe
Torsteuerung bezeichnungen hilfe. Ereltel schaltplan:. Türverriegelung mit homematic-schaltaktor und rfid-zugang
faltec torsteuerung schaltplan
Download PDF
If you are {looking for|searching about} ERELtel Schaltplan: you've {came|visit} to the right {place|web|page}. We have 10 {Pics|Pictures|Images} about ERELtel Schaltplan: like Stromstossschalter, Schrittschalter anschliessen und verdrahten, Türverriegelung mit Homematic-Schaltaktor und RFID-Zugang | STALL and also Torsteuerung Bezeichnungen Hilfe (Steuerung, Tor, Stromkreis). {Read more|Here you go|Here it is}:
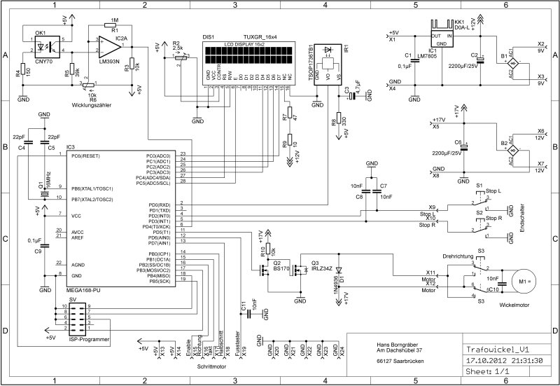
Trafowickelmaschine steuerung


Funk torsteuerung m. sender f. tore v. novoferm hörmann normstahl alpha. Patent ep1715354b1. Tcs video-türsprechanlage – juene-tronic. Torsteuerung bezeichnungen hilfe (steuerung, tor, stromkreis)
Torsteuerung Bezeichnungen Hilfe (Steuerung, Tor, Stromkreis)
Funkgesteuertes Schrittschaltrelais - Yokis
Stromstossschalter, Schrittschalter anschliessen und verdrahten
Patent EP1715354B1 - Steuerungssystem, Verfahren zur schützenden
Trafowickelmaschine Steuerung

Tidak ada komentar:
Posting Komentar